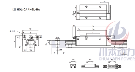
HGL15CA 臺灣HIWIN滑塊 HIWIN導(dǎo)軌 臺灣上銀滑塊導(dǎo)軌
組件尺寸 | H | 24 | mm |
H1 | 4.3 | mm | |
N | 9.5 | mm | |
滑塊尺寸 | W | 34 | mm |
B | 26 | mm | |
B1 | 4 | mm | |
C | 26 | mm | |
L1 | 39.4 | mm | |
L | 61.4 | mm | |
K1 | 10 | mm | |
K2 | 4.85 | mm | |
G | 5.3 | mm | |
MxL | M4*4 | mm | |
T | 6 | mm | |
H2 | 3.95 | mm | |
H3 | 3.7 | mm | |
導(dǎo)軌尺寸 | WR | 15 | mm |
HR | 15 | mm | |
D | 7.5 | mm | |
h | 5.3 | mm | |
d | 4.5 | mm | |
P | 60 | mm | |
E | 20 | mm | |
導(dǎo)軌的固定螺栓尺寸 | 導(dǎo)軌的固定螺栓尺寸 | M4*16 | mm |
基本動額定載荷 | C | 11.38 | kN |
基本靜額定載荷 | C0 | 16.97 | kN |
容許靜力矩 | MR | 0.12 | kN-m |
MP | 0.1 | kN-m | |
MY | 0.1 | kN-m | |
重量 | 滑塊 | 0.14 | kg |
導(dǎo)軌 | 1.45 | kg/m |
TAG:list


